

陈先生
0755-22310076/22310079
0755-22310076
2970613037
2970613037@qq.com
深圳市社保电子技术有限公司成立于2000年,是经国家批准的专业从事防雷元器件及防雷、防浪涌、过电压保护器成品(SPD)等产品的开发、生产与销售为一体的高科技民营企业。
1.TN-C系统较适用于哪些场所?
从图中可知,TN-C系统内的PEN线兼起PE线和N线的作用,可节省一根导线,比较经济。但从电气安全着眼,这个系统存在问题。
2.TN-S系统较适用于哪些场所?
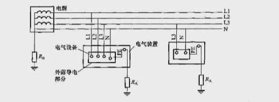
从图中可知,在整个TN-S系统内,PE线和N线被分为两根线。除非施工安装有误,除微量对地泄漏电流外,PE线平时不通过电流,也不带电位。它只在发生接地故障时通过故障电流,因此电气装置的外露导电部分对地平时几乎不带电位,比较安全,但它需在回路的全长多铺用一根导线。电源防雷器

3.TN-C-S系统较适用于哪些场所?
从图中可知,TN-C-S系统自电源到另一建筑物用户电气装置之间节省了一根专用的PE线。这一段PEN线上的电压降使整个电气装置对地升高△UPEN的电压,但由于电气装置内设有总等电位连接,且在电源进线点后PE线即和N线即分开,而PE线并不产生电压降,整个电气装置对地电位都是△UPEN,在装置内并没有出现电位差,因此不会发生TN-C系统的种种电气不安全因素。在建筑物电气装置内,它的安全水平和TN-S系统是相仿的。
4.TT系统较适用于哪些场所?
从图中可知,TT系统的中性线除在电源的一点作系统接地外,为防杂散电流的产生不得在其他处再接地。我国有些供电部门不理解IEC标准,要求用户在电源进线处除图示RA的保护接地外,还仿照过去的TN-C系统,将TT系统的中性线作重复接地,认为可借TT系统中的接地通路,防范中性线中断(俗称“断零”)引起的三相四线系统中烧坏大量单相用电设备的事故,殊不知由于大地通路与中性线通路的阻抗值相差悬殊,这一措施在理论上就不成立。相反,中性线的重复接地却可产生杂散电流而引起种种事故,对供电部门这一不当要求在电气装置的设计安装中应予注意。TT系统内各个电气设备或各组电气设备可各有自己的接地极和PE线。各PE线之间在电气上没有联系。
5.IT系统较适用于哪些场所?
从图中可知,IT系统的电源端不做系统接地,在发生第一次接地故障时由于不具备故障电流返回电源的通路,其故障电流仅为两非故障相对地电容电流的相量和,其值甚小,因此在保护接地的接地电阻RA上产生的对地故障电压很低,不致引发电击事故。所以发生第一次接地故障时不需切断电源而使供电中断。但它一般不引出中性线,不能提供照明、控制等需用的220V电源,且其故障防护和维护管理较复杂,加上其他原因,使其应用受到限制b它适用于对供电不间断和防电击要求很高的场所,在我国规定矿井下、钢铁厂以及医院手术室等场所采用IT系统。发达国家电气安全要求高,诸如玻璃厂、发电厂的厂用电、钢铁厂、化工厂、爆炸危险场所、重要的会议大厅的安全照明、计标机中心以及高层建筑的消防应急电源、重要的控制回路等都采用IT系统。
深圳市社保电子技术有限公司的全体员工把“客户的成功就是我们的成长”作为企业的信念。真诚地为客户着想,从点滴做起。欢迎广大客户垂询!电源防雷器采购网站:www.sbdz.com
