

陈先生
0755-22310076/22310079
0755-22310076
2970613037
2970613037@qq.com一、直流屏防雷配置
在直流屏设计中,我们经常会遇到要求设C级电源防雷器和D级电源防雷器。那么C级电源防雷器和D级电源防雷器究竟是一个什么概念呢?下面我们简单介绍一下:
交流系统中的各个位置按照距离源系统的远近不同,可能产生的过电压水平不同。基于这种不同,在该位置使用的设备所具备的过电压耐受能力也是不一样的。行业标准对不同位置的过电压做出了分类。在防雷配置时,配电采用B级电源防雷器,而用户端(用电器)采用C级电源防雷器和D级电源防雷器。

1、C级电源防雷器装置
能承受8/20uS雷电流共模20kA冲击10次,差模10kA冲击5次。每次检验冲击间隔时间不小于1分钟。共模残压不大于2.5kV,差模残压不大于2kV。
比如下面这个C级电源防雷器参数:

2、D级电源防雷器装置
能承受8/20uS雷电流5kA冲击5次,每次检验冲击间隔时间不小于1分钟,残压不大于1.5kV。
比如下面这个D级电源防雷器参数:

此时,直流屏交流母线上的过电压水平被限制在1.5kV以下。
根据低压直流电源设备相关标准,我们需要将雷电过电压限制在2.5kV的水平上,才能保证直流电源系统的安全工作。因此,我们在直流电源系统中配置C级或C、D两级电源防雷保护部件是妥当的。
二、直流屏防雷接线

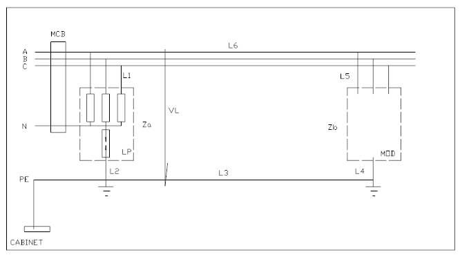
直流屏的防雷效果不仅与所选的防雷保护部件有关,保护部件的接线和布置、被保护部件与保护器件之间的电气位置关系等也直接影响防雷效果。如图二所示,当雷电流进入直流屏时,将在防雷保护部件处得到释放,雷电流所产生的过电压将被限制到什么程度,请看下面分析:
目前广泛使用的C级电源防雷部件极限通流能力为40kA,额定通流能力为15kA。我们现以15kA标准实验雷电流试验看一下在线路上可能存在的过电压情况。
当雷电流为15kA时,在每米线路上产生的压降可以达到V=L*di/dt=1uH*15000A*/8uS=1875V
L----- 根据经验数据,大约在1uH/m数量级上
di-----雷电流
dt----8uS (标准雷电实验波形为8/20uS波形,即波头时间为8uS、半波时间为20uS)
在图二所示系统中,外界雷电流将在LP处泻放。LP在通以标称电流下的残压是固定的,主线路上的电压将是LP的残压与雷电流在L1、L2两段线路上形成的压降之和。从上面的计算来看,每米线路可能产生的雷电过电压有1.8kV左右,尽量缩短这两段线路的长度对降低主线路上的电压是有重大意义的。
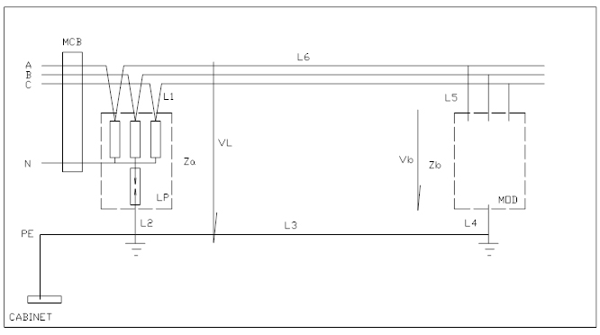
推广来看,缩短L1、L2线路的长度实际上是尽量缩短雷电流的流通通道的长度,我们有必要按照这样的原则来设计系统。图三中LP的接线方式被称为凯文接线,它最大限度地缩短了L1部分的线路长度。

我们再来看一下线路上产生的雷电过电压在线路和被保护设备上是怎样分布的。
雷电流在保护部件上形成的雷电过电压以VL示于图中,Vb为被保护器件上承受的过电压。L3~L6分别为线路阻抗,Zb是被保护器件的等效阻抗。
显见,L3~L6越大,Zb上分得的Vb就越小,被保护器件就获得更好的防护。就L6而言,我们给出最短长度2.5m,少于这个值,线路对雷电过电压的防护效果将得不到保证。L3实际是被保护设备PE距离保护部件PE的距离。保护部件PE通常距离系统总PE更近,可认为是零电位。所以,为了保证被保护设备自身安全接地的效果,不宜过分追求增加L3的长度。
综上,L6应该保证不小于2.5m,L3~5部分线路不必侧重考虑雷电过电压防护因素。
